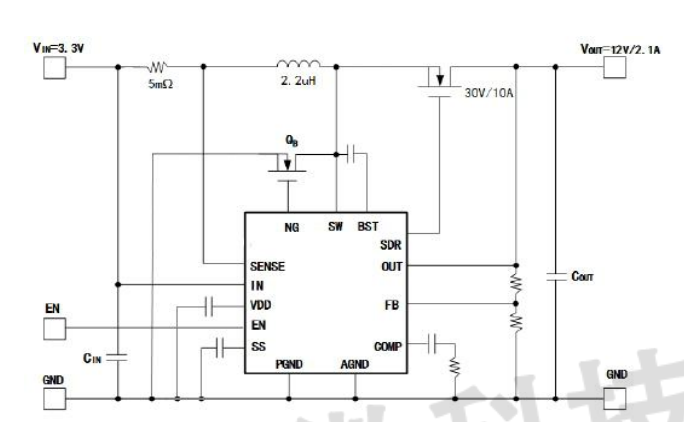
CX9428 chip is a current mode boost chip with a fixed frequency of 600KHz, high efficiency, and wide input range, and has high efficiency synchronous boost function and adjustable current limiting function.
Model No. :
CX9428Withstand voltage :
30VOutput voltage :
5-30VOutput current :
24WWorking mode :
synchronousPackaging :
SOP-14LSummary:
CX9428 chip is a current mode boost chip with a fixed frequency of 600KHz, high efficiency, and wide input range, and has high efficiency synchronous boost function and adjustable current limiting function.
CX9428 chip is specially designed with a voltage protection system to prevent load short circuits from causing system bus burnout or damage. The power supply chip has the characteristics of a current limiting switch transistor drive and a synchronous rectifier switch transistor drive internally to achieve low power consumption and high efficiency power switching. Users can flexibly establish dynamic loops through external compensation to achieve optimal transient performance under all conditions.
CX9428 chip also includes undervoltage latch, overcurrent protection, and over temperature protection to prevent damage in the event of output overload.
Characteristic:
Fully compliant with Intel Thunderbolt Power Spec
Input current limiting switch gate drive circuit
SR gate drive circuit
Enhanced fast transient response in PWM mode
3.0V-30V wide input range
Output voltage: 5V To 30V
When the chip stops working, the current is<1 µ A
The chip stops working at a temperature of 160 ° C
SOP-14L packaging form
Application:
Thunderbolt interface
Laptops and tablets
Hot swappable power management
Communication power supply


Email us with any questions or inquiries or use our contact data. We would be happy to answer your questions.





If you have questions or suggestions,please leave us a message,we will reply you as soon as we can!
© Copyright: 2024 Shenzhen CXW Technology., Co Ltd All Rights Reserved.
IPv6 network supported