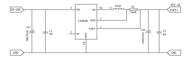
CX8834B is a step-down DC-DC converter that supports input DC 5V-30V and output fixed 5V/2.4A, with precise constant voltage and constant current at 100% duty cycle.
Model No. :
CX8834BWithstand voltage :
30VOutput voltage :
5VOutput current :
2.4AWorking mode :
synchronousPackaging :
SOP-8Summary:
CX8834B is a step-down DC-DC converter that supports input DC 5V-30V and output fixed 5V/2.4A, with precise constant voltage and constant current at 100% duty cycle.
The CX8834B is equipped with a 70m Ω High side PMOS and a 30m Ω Low side NMOS, which can support a continuous output current of 2.8A.
The CX8834B has high-performance load response and input voltage response capabilities, while precise constant voltage and constant current control loops achieve minimal load adjustment rate and linearity.
The CX8834B does not require external compensation and can rely on its built-in stable loop to achieve constant current and voltage control, while also having cable voltage drop compensation function adjustment rate.
CX8834B is a stable and reliable constant voltage and constant current buck DC-DC converter with minimal application, excellent performance, and reliability.
Characteristic:
Input withstand voltage can reach 30V
Built in 70m Ω High side PMOS
Built in 30m Ω Low side NMOS
Can support 2.4A continuous output current
Built in high-precision constant current and constant voltage control loop
Constant current accuracy ± 8%
Constant pressure accuracy ± 2%
No external compensation required
135kHz fixed switching frequency
Cable compensation voltage drop
Ultra simple application circuit
Short circuit protection (SCP), overheat protection (OTP), overvoltage protection (OVP)
SOP-8L packaging form
Application:
car charger
floodlight
Portable device power supply


Email us with any questions or inquiries or use our contact data. We would be happy to answer your questions.





If you have questions or suggestions,please leave us a message,we will reply you as soon as we can!
© Copyright: 2024 Shenzhen CXW Technology., Co Ltd All Rights Reserved.
IPv6 network supported