CX8831CX is a buck SoC chip integrated with multi fast charging protocols. It is packaged in ESOP-8L, <br/>and a synchronous buck converter is integrated inside the chip.<br/>Support USB Type-C and PD3.1 protocols, Qualcomm QC2.0/3.0/3.0+ p...
Model No. :
CX8831CXWithstand voltage :
40VOutput voltage :
5-20VOutput current :
45W powerWorking mode :
Packaging :
ESOP-8L/QFN4x4CX8831CX is a buck SoC chip integrated with multi fast charging protocols. It is packaged in ESOP-8L,
and a synchronous buck converter is integrated inside the chip.
Support USB Type-C and PD3.1 protocols, Qualcomm QC2.0/3.0/3.0+ protocols, Huawei FCP/SCP/HVSCP
protocols, and VOOC protocols.
Support MediaTek PE2.0 protocol, MTK PE fast charging, Samsung AFC protocol, USB BC1.2 DCP protocol
and Apple2.4A charging specification.
Provide a complete solution for power supply equipment such as vehicle charging port, various fast charging
adapters, intelligent plug-in and so on.
CX8831CX adopts COT control mode, with built-in current sampling circuit and ripple compensation circuit.
Built-in double N-type low impedance power switch tube.
CX8831CX has an input working voltage of up to 36V and an output voltage range of 3.3V to 21V, which can
provide a maximum output power of 45W.
CX8831CX adjusts the output voltage and current according to the identified fast charging protocol.
CX8831CX can adapt the input voltage and automatically adjust the output power according to the input voltage.
The output of CX8831CX has CV/CC characteristics. When the output current is less than the set value, the CV
mode is output and the output voltage is constant. When the output current is greater than the set value, the
CC mode is output and the output voltage is reduced.
CX8831CX has the function of cable compensation, which increases the output voltage with the increase of
output current to compensate the voltage drop caused by cable impedance.
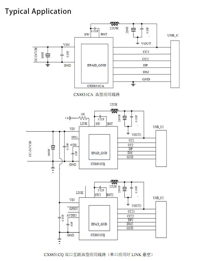
CX8831CQ can realize high-power operation of two USB-C ports independently through CHIP-LINK, and
reduce to low-power output at the same time.
When one USB-C port works within 5V/200mA(1W), the other USB-C port can realize high power output.
CX8831CX supports secondary burning and can realize online upgrade.
CX8831CX Characteristic:
Synchronous switching buck converter
Input working voltage range 6-36V
The conversion efficiency is as high as 97%
Support CV/CC mode
Support soft start and full load start.
Support line loss compensation function
Support cable communication with internal resistance up to 180mΩ.
Support online upgrade
Have multiple security protection.
Overvoltage/undervoltage protection
Over-current protection and short-circuit protection
Over-temperature power drop and secondary over-temperature protection
ESD characteristics ±4KV
Support chip-link dynamic power allocation
Support automatic power distribution of Apple devices in 4th gear.
Support dual-port light load working mode
Support USB power delivery (PD)3.1.
FPDO can be configured: 5V/9V/12V/15V/20V.
OUT MAX: 45W
APDO configurable: 5V/9V/15V/20V Prog.
Support a variety of fast charging protocols
Quick Charge 2.0/3.0/3.0+
Xiaomi CHARGE TURBO 27W protocol
Huawei FCP/HVSCP protocol (supporting Huawei first)
Samsung AFC5V/9V/12V protocol
OPPO VOOC protocol
MTK PE2.0 protocol
Mainly used in:
Multi-port fast charger
USB charging equipment
Outdoor energy storage equipment




Email us with any questions or inquiries or use our contact data. We would be happy to answer your questions.





If you have questions or suggestions,please leave us a message,we will reply you as soon as we can!
© Copyright: 2024 Shenzhen CXW Technology., Co Ltd All Rights Reserved.
IPv6 network supported